S2S tranzistorsko push-pull pojačalo
Pojačala zvuče
različito! Ako ste jedan od onih koji u to vjeruju bez obzira na
«čvrste» dokaze raznih «slijepih» testova onda
ste se, možda, ponekad zapitali zašto je to tako. Iako
objektivnim, mjernim postupcima ne možemo uvijek utvrditi koje će
pojačalo zvučati dobro, a koje loše, u subjektivističkim
krugovima ljubitelja dobrog zvuka prevladava mišljenje da je
jedan od preduvjeta dobrih zvučnih rezultata jednostavnost sklopa
pojačala. Ovoj se teoriji priklanjaju i mnogi priznati konstruktorski
audio autoriteti i inovatori poput Nelsona Passa, Johna Curla ili
Charlesa Hansena. Koliko pojačalo može biti jednostavno Nelson
Pass je pokazao u seriji članaka «Zen» u časopisu
Audio Electronics. Najjednostavniji i originalni «Zen» ima
tek jedan hex-fet. Općenito, pojačala prema ustroju možemo podijeliti u
single-ended (SE) i push-pull (PP). Kod SE konstrukcija se,
pojednostavljeno rečeno, signal obrađuje-pojačava u cjelini, dok se kod
PP konstrukcija signal dijeli «po pola» - na pozitivnu i
negativnu poluperiodu. Teoretski (npr. kod «Zena» i
praktično) za SE pojačalo dovoljan je jedan aktivni element, dok je kod
PP pojačala teoretski minimum aktivnih elemenata 2. Zbog toga se može
reći da su PP pojačala složenija od SE. Osim ovog, temeljnog ustroja,
složenost pojačala određuje i broj stupnjeva pojačanja. Stupanj
pojačanja čini svaki dio sklopa koji pojačava signal strujno i/ili
naponski, a može se sastojati od jednog ili više aktivnih
elemenata. Kombinacija ustroja i stupnjeva pojačanja određuje složenost
pojačala, ali iskreno, mislim da nije jednoglasno odlučeno da li je
jednostavnije SE pojačalo s dva stupnja pojačanja ili PP pojačalo s
jednim stupnjem pojačanja.
Uglavnom, u
svakodnevnoj upotrebi najčešća su PP pojačala s 3 i više
stupnjeva pojačanja. Ovakvom konstrukcijom relativno je jednostavno
postići dobru efikasnost i mjerne rezultate.
Međutim,
koristeći neka maštovitija konstrukcijska rješenja, uz
pažljivo ugađanje sklopa moguće je postići odličan rezultat i sa
jednostavnijim konstrukcijama.
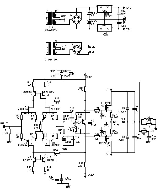
S2S (simple 2
stage) pojačalo je PP pojačalo sa 2 stupnja. Koristeći inovativni
ustroj koji je, koliko znam, prvi koristio (i patentirao) legendarni
«haflerov» audio konstruktor Jim Strickland, S2S ima,
usprkos jednostavnoj konstrukciji, odlične mjerne rezultate i, važnije,
odlične zvučne rezultate.
Uz priloženu
shemu moram napomenuti da je zbog ustroja obavezno koristiti po jedan
transformator za izlazni stupanj svakog kanala.
Iako su
priloženi mjerni rezultati postignuti s vrijednostima elemenata sa
sheme, moguće je da bi bolji (slušno?) rezultati bili postignuti
s većim kapacitetom kondenzatora u napajanju izlaznog stupnja.
Prije prvog
ukapčanja potrebno je bias trimer postaviti na najveću vrijednost.
Struja mirovanja izlaznih tranzistora je 200mA. Izlazne tranzistore
potrebno je montirati na hladilo min. 0.5k/W, a na hladilo se montira i
Vbe tranzistor.
Nekoliko rezultata mjerenja za one kojima to nešto znači:





DrZ LAB