Tube S2S - F2a Push-pull
izlazno pojačalo

Kutija
ne čini pojačalo.
Zapravo je ovo pojačalo
nastalo kao prototip na kojem sam isprobavao koncepciju, topologije,
komponente i, uopće,
zvuk siemensovih izlazni pentoda.
Verzija koju gledate radi dovoljno
dobro da sam zaključio
da moguća
daljnja unaprijeđenja
nisu neophodna.

Trebalo je još samo sve to prebaciti u
ljepšu kutiju, eventualno dodati još jedno napajanje za dual-mono
ustroj i to bi pojačalo
sigurno bilo "stani-pani".
Nakon nekoliko mjeseci meditiranja, planiranja, pripremanja
(psihičkog)
i biranja dobavljivih i nedobavljivih materijala – odustao sam.
Možda kad se drugi put rodim. Za sad, i za mene, sasvim je dobro i
ovako.
Ukratko:
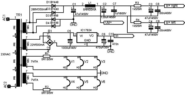
Pojačalo
koristi jedno napajanje za oba kanala. U ispravljaču
su četiri
brze diode i CLC filtar. Kondenzatori u filtru su malog kapaciteta,
ali je pojačalo
usprkos tome potpuno bešumno čak
i sa zvučnicima
osjetljivosti 97dB/W/m.

Na ulazu pojačala
nalazi se signalni transformator s prijenosnim odnosom 1:2 koji osim
pojačanja
služi i za postizanje potpune simetrije pojačala.
Transformator je moguće
i izostaviti, ali se u tom slučaju
narušava simetrija ulazne diferencijale (praktično
je još uvijek izuzetno dobra), a potreban je i dvostruko veći
ulazni napon za postizanje iste izlazne snage.
Dvije triode iz duple triode ECC99 čine
ulazno diferncijalno pojačalo,
čiji
su izlazi vezani na rešetke izlaznih cijevi putem veznih
kondenzatora 0,1uF (ja sam
koristio Siemensove folija/papir/ulje, koje za Siemens
radi Jensen).
Izlazne pentode F2a rade u triodnom
spoju i kao izlazni transformator koriste vrhunski Šebartov AOT40.

Osnovna
značajka zvuka ovog pojačala je muzikalnost i prirodnost. Iako
postoje odlična tranzistorska pojačala (npr. S2S), prirodnost
timbra koju imaju dobra cijevna pojačala poput "Tube S2S",
za njih je još uvijek nedostižna. U odnosu na SE 300B pojačalo ima
nešto manje onih najfinijih detalja, koji npr. odjek činele čine
dužim, ali malo više snage pomaže boljoj kontroli zvučnika, pa
djeluje čvršće i dinamičnije.
Kućište
je aluminijsko, pamet je domaća.


