
Kada bi se najbolje pojačalo biralo demokratskim izglasavanjem, onda bi vrlo vjerojatno prestižnu titulu osvojilo triodno 300B pojačalo single-ended ustroja. Svatko tko je čuo neko dobro (jer ima i onih manje dobrih) 300B SE pojačalo sigurno nije mogao ne zamijetiti prozračnost, prirodnost timbra, mikrodinamiku i, uopće, lakoću i ljepotu zvuka koju takvo pojačalo, u sprezi s prikladnim zvučnicima, unosi u audio sustav. Međutim upravo je ovaj dio o prikladnim zvučnicima jedan od osnovnih razloga zašto takva pojačala među audiofilskom populacijom nisu rasprostranjena u obimu sukladnom njihovim zvukovnim performansama. Sa svojih, ovisno o konstrukciji, cijevi i načinu mjerenja, 6-10W jasno je da SE 300B pojačalo treba natprosječno osjetljive zvučnike da bi pokazalo sve svoje mogućnosti. Ovisno o navikama slušanja s obzirom na glasnoću, odličan partner takvim pojačalima mogu biti i mali dvosistemci sasvim ispodprosječne osjetljivosti. Uglavnom, single ended 300B pojačalo nije pojačalo za svaku priliku.
Pokušaja da se napravi pojačalo istih zvukovnih kvaliteta, ali veće snage ima, naravno, bezbroj. Najčešće se u takvim prilikama poseže za paralelnim spojem više cijevi ili snažnijim triodama poput klasičnih 211, 845 ili novijih ruskih GM70 i 6C33C. Takva pojačala uglavnom nemaju više od 20-ak watta korisne snage, što može ali i nemora predstavljati značajnu razliku u odnosu na spomenutih 8W. Kao sljedeće rješenje nameće se push-pull ustroj. U takvom ustroju pojačalo s parom 300B trioda postiže nešto više od 20W. Za veću snagu potreban je ponovno paralelni spoj ili snažnije triode.
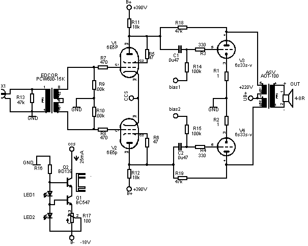
Želeći snažno pojačalo koje će još uvijek imati dovoljno zvukovnih sličnosti s SE300B, ja sam se odlučio za par snažnih 6c33c trioda. Push-pull pojačala s ovim cijevima na tržištu nema puno. Koliko mi je poznato Lamm (jedan model) i BAT (nekoliko modela) su jedini proizvođači ovakvih pojačala na svjetskom audio tržištu.
Parom 6c33c trioda u push-pull ustroju može se postići snaga od 40-ak W, no ako ih se “potjera” u AB2 klasu tada snaga raste i do 90W. Ja sam se odlučio za najjednostavniju moguću koncepciju sa samo dva aktivna stupnja pojačanja i odrekao se dodatnih watta koji zahtijevaju i dodatni aktivni stupanj strujnog pojačanja (tranzistroski buffer kod Lamma, cijevni kod BATa). Vjerujem u jednostavne topologije. Također sam nakon nekoliko eksperimenata izostavio korištenje globalne povratne veze.

Pojačalo je izvedeno kao potpuno simetrični push-pull. Dijeljenje faze, dobru simetriju i početno pojačanje ulaznog signala osigurava ulazni transformator. Kako sam cijeli projekt zamislio kao relativno jeftinu i snažnu alternativu 300B pojačalu, ovdje sam se odlučio za izuzetno jeftin ($12), ali kvalitetan ulazni transformator američke tvrtke Edcor (www.edcorusa.com) koji radi odlično bez obzira na cijenu. Vjerojatno nešto bolje i puno skuplje rješenje bio bi Lundhalov transformator s amorfnom jezgrom.
Za glavno naponsko pojačanje i drajv izlaznih cijevi namijenjeno je diferencijalno pojačalo s ruskim tetrodama 6e5p u triodnom spoju. Izuzetno linearna, s velikim strujnim mogućnostima i velikim pojačanjem, ova tretroda omogućava korištenje samo jednog aktivnog stupnja prije izlaznih cijevi. Radna točka diferencijalnog pojačala ugođena je tranzistorskim strujnim izvorom.



Korišteni dijelovi su uglavnom standardne kvalitete (Kiwama otpornici u anodama dif. pojačala, Nichicon, Rubycon elektroliti u napajanju, standardni metal-film otpornici i wima mkp/fkp kondenzatori). Prigušnice i toroidni transformatori su proizvod tvrtke Trafo iz Sv. Nedelje.
Pojačalo je proradilo “iz prve” no ugađanje- mjerno i “na uho”- trajalo je nekoliko mjeseci.
U usporedbi s 300B SE pojačalom 6c33c PP ima nešto manje finih detalja i prozračnosti i značajno više snage, no razlike u zvuku su puno manje nego što sam očekivao.
Priličan uspjeh za jedno push-pull pojačalo.

